close
會員中心
購物車
匯款通知
聯絡我們
  • 週一 ~ 週五
    08:30 ~ 18:00
  • 週六
    08:30 ~ 17:00
  • 星期例假日全休
門市位置
請掃描QRCode開啟導航 location_on 臺灣407024
臺中市西屯區環河路18號
(林酒店正對面,老虎城正後方)
notifications_active
網站操作
營業日曆
營業日曆
回到頂端
上一則
商品
MSP-1000-48
上一則
商品
( 圖片僅供參考,請依品名敘述為準 )
MSP-1000-48
新品
  • star_rate star_rate
  • star_rate star_rate
  • star_rate star_rate
  • star_rate star_rate
  • star_rate star_rate
MSP-1000-48
MW明緯 1000W 48V/21A醫療級單輸出電源供應器(AC90~264V)
1000W Single Output Medical Type
廣華頁碼 9119845

x 1台
含稅 $ 5300.
  • star_rate star_rate
  • star_rate star_rate
  • star_rate star_rate
  • star_rate star_rate
  • star_rate star_rate

量價優惠請詢價

品牌 : MeanWell 明緯
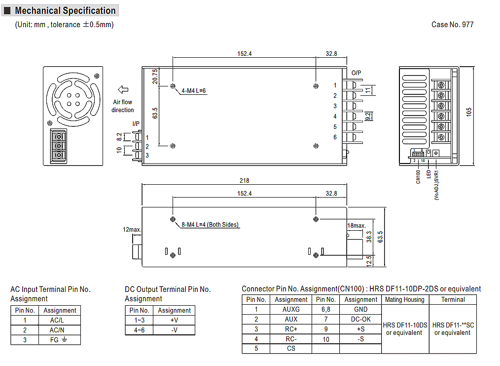
尺寸 : 218(L) x 105(W) x 63.5(H)mm

ai-button
lightbulb 快速了解產品優勢

help 對於需要高穩定電力的 MRI 或 CT 掃描儀等精密設備,MSP-1000-48 如何確保運作穩定?

此電源具備高達 94% 的轉換效率與主動式 PFC 功能,能有效減少能源損耗與電磁干擾。此外,它能承受 300VAC 突波衝擊達 5 秒,確保精密醫療測量設備在電網波動下仍能持續穩定運作,避免醫療中斷風險。

help 哪些醫療設備製造商或系統整合商 (SI) 最適合採購這款 1000W 醫療級電源?

專注於大型醫療電氣設備、手術台、醫療床及生化檢測儀器的製造商為核心對象。其具備遙控開關、遙感功能與 DC OK 訊號,非常適合需要遠端監控與自動化電源管理的系統整合商使用。

help 除了 48V/21A 的大功率輸出,MSP-1000-48 在擴充性與功能整合上有何核心優勢?

該型號支援並聯功能,最高可達 4000W 輸出,滿足超大功率需求。內建 5V 輔助電源與冷卻風扇自動控制,能在空載功耗低於 0.75W 的節能狀態下,依然提供靈活的設計彈性與高信賴性的電力保護。

以上內容為 AI 生成

商品規格
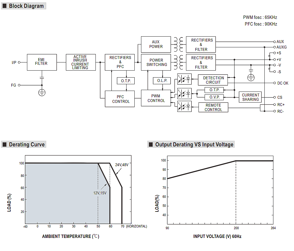
◎ MSP-1000 是一款單組輸出機殼型交流變直流電源供應器,可為廣泛的醫療應用提供1000W的輸出功率。 整系列輸入電壓範圍為90~264VAC,並且能提供12V到48V間不同的額定電壓,可滿足各種醫療設備需求。

◎ 電路設計符合國際醫療標準2XMOPP,適用於醫療電氣設備。另外,MSP-1000 利用內置多種功能如輔助電源,遙感和遙控功能警報信號等功能提供多種設計彈性

◎ 特性:
  國際通用全範圍交流輸入
  具有主動式 PFC 功能,PF>0.95
  效率高達 94%
  能承受 300VAC 突波輸入 5 秒
  保護種類:短路 / 過負載 / 過電壓 / 過溫層
  醫療安規認證 (2×MOPP等級)
  對系統適當的考量,可適合 BF 型應用
  具有冷卻風扇開關控制
  並聯使用可達 4000W (3+1)
  有 DC OK 訊號輸出
  具有遙控開關
  [email protected] 以下
  具有遙感功能
  空載消耗量 <0.75W(備註6)

◎ 應用:
  MRI 掃描儀
  CT 和 PET 掃描儀
  醫療床
  手術台
  醫療測量設備

◎ 輸出
  電壓:DC 48V
  電流:21A
◎ 輸入
  電壓: 90~264 VAC 127~370 VDC
  頻率範圍:47~63Hz
  效率:94%
  交流電流:8.5A/115VAC . 5A/230VAC
◎ 工作溫度:-40~70℃

商品介紹



商品說明
商品說明
商品說明
商品說明
商品說明
商品說明
商品說明
商品須知
  • 商品因拍攝條件不同顏色可能略有差異,實際依廠商出貨為主。
  • 商品情境圖為使用場景示意用,請以規格內容物為準。
  • 電子零組件同一產品可能有多家供應商,每家供應商的產品尺寸可能會有差異,廣華電子商城網站上的尺寸圖『僅供參考』,請勿於收到商品前就進行 LAYOUT 或 開發。
  • 產品產地不保證聲明:各廠牌製造商其製造工廠可能分佈世界各地,即使相同產品不同批號產地也可能有異,本網站上所示之產地為我司第一批進貨時產品,但不保證後續進貨產品之產地,以原廠供貨為準。
商品價格
  • 電子商城非現貨產品須經由服務人員報價,請登入或註冊為本商城會員進行詢價。
  • 本公司目前僅服務含台灣及其所屬離島地區,所列價格為TWD新台幣。
  • 產品價格,網站可能來不及更新,所有訂單均會以電話或E-Mail確認訂單價格,未收到人員確認訂單之前請勿逕行匯款。
  • 本公司盡可能維護商品規格及說明之正確性,但仍需依產品包裝或原廠公告敘述為準,本公司保留接受訂單與否的權利。
  • 電子商城與公司門市價格一致,除特別註明僅限網路下單者除外。
付款
  • 如使用匯款方式付款,請協助將匯款單據回傳,可縮短您訂單的處理時程。
運費
  • 除特別註明之商品外,單張訂單金額未滿1400元加收運費80元,貨到付款除運費外另加收手續費50元,台灣東部及離島視情況與訂單內容需酌加收運費。
特別說明
  • 所銷售的產品大部分皆屬「實驗、開發、維修或教育研究等專業用途」,供專業人士使用,非一般消費者購買後即可使用,請於購買前詳閱相關技術資料再行購買,本公司恕無法提供教學服務。